产品分类
联系我们
- 西安博越真空设备有限公司
- 联系人:刘先生
- 电 话:029-84498895
- 手 机:17792217753 18691830324
- 网 址:www.byvacuum.com
- 地 址:西安市莲湖区大庆路53号天朗蔚蓝机电广场二期1D038
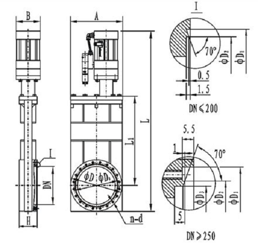
CCQ-A型系列气动超高真空插板阀
发布时间:2015-04-15 22:31:43 | 浏览次数:




下一篇:CC-A型系列超高真空插板阀
发布时间:2015-04-15 22:31:43 | 浏览次数:




下一篇:CC-A型系列超高真空插板阀